Nội dung bài học:
- Hệ tọa độ trong Fusion
- Tổng quan về môi trường 2D
- Lệnh vẽ Đường thẳng (Line)
- Lệnh vẽ Hình chữ nhật (Rectangle)
- Lệnh vẽ Đường tròn (Circle)
- Lệnh vẽ Hình đa giác (Polygon)
- Lệnh ghi kích thước (Sketch Dimension)
- Bài tập vận dụng
1. Hệ tọa độ Oxyz trong Fusion
Fusion 360 sử dụng Hệ tọa độ Đề các (Cartesian Coordinate System) để định vị và quản lý các đối tượng trong không gian 3D. Hệ tọa độ gồm ba trục X, Y, Z giao nhau tại gốc tọa độ (0, 0, 0), là cơ sở để xác định chính xác vị trí và hướng của các đối tượng trong dự án. Trong Fusion 360, Gốc tọa độ (0,0,0) là điểm duy nhất cố định và hệ tọa độ được minh họa như hình sau:

Hình 1: Hệ trục tọa độ không gian trong Fusion 360
Trong Fusion 360, hệ tọa độ được chia thành Hệ tọa độ toàn cục (Global Coordinate System) và Hệ tọa độ cục bộ (Local Coordinate System):
- Hệ tọa độ toàn cục là hệ tọa độ mặc định, áp dụng cho toàn bộ không gian làm việc. Gốc tọa độ (0, 0, 0) của hệ này thường được dùng làm chuẩn để đo đạc và xây dựng các kích thước chính.
- Hệ tọa độ cục bộ là hệ tọa độ được thiết lập riêng cho từng đối tượng hoặc cụm lắp ráp, cho phép người dùng làm việc với các thành phần nhỏ hoặc các bộ phận có vị trí đặc biệt mà không ảnh hưởng đến hệ tọa độ toàn cục.
Hệ tọa độ trong Fusion 360 không chỉ là cơ sở để vẽ phác thảo, dựng hình 3D mà còn đóng vai trò quan trọng trong quy trình gia công CNC. Người dùng có thể dễ dàng thao tác, điều chỉnh và áp dụng các hệ tọa độ khác nhau để đáp ứng yêu cầu thiết kế và sản xuất, tối ưu hóa hiệu quả công việc.
2. Tổng quan về môi trường 2D
Môi trường 2D (Sketch Geogotry – phác thảo hình học), là nền tảng quan trọng để bắt đầu mọi thiết kế. Đây là nơi người dùng tạo các bản phác thảo (Sketch) trên các mặt phẳng hoặc bề mặt được chọn, sử dụng các công cụ vẽ cơ bản như đường thẳng, cung tròn, hình chữ nhật, hình đa giác và công cụ ghi kích thước. Trong môi trường này, bạn có thể dễ dàng định nghĩa các hình học với độ chính xác cao thông qua hệ tọa độ, ràng buộc hình học (Constraints), và các kích thước (Dimensions).
Phác thảo 2D không chỉ giúp hình thành ý tưởng mà còn là bước đầu để tạo nên các mô hình 3D thông qua các công cụ dựng hình như Extrude, Revolve, hoặc Loft. Fusion 360 cung cấp giao diện trực quan, cho phép người dùng nhanh chóng chỉnh sửa hoặc điều chỉnh phác thảo ngay cả khi đã chuyển đổi sang không gian 3D. Việc tận dụng hiệu quả môi trường 2D giúp đảm bảo sự chính xác và hiệu quả trong toàn bộ quy trình thiết kế.
Để vào môi trường 2D, ta sẽ sử dụng công cụ tạo bản phác thảo (Create Sketch) trên thanh công cụ và chọn 1 mặt phẳng bất kỳ. Giao diện của môi trường 2D sẽ như sau:

Hình 2: Không gian thiết kế 2D
3. Lệnh vẽ Đường thẳng (Line)
Lệnh Line là lệnh vẽ đường thẳng hoặc 1 chuỗi các đường thẳng. Bạn có thể tìm thấy lệnh Line trên thanh công cụ hoặc có thể nhấn phím tắt “L” từ bàn phím để vào lệnh nhanh hơn.
Tip: – Dùng chuột trái để tiếp tục vẽ đường thẳng nối tiếp.
- Dùng Enter để kết thúc lệnh.

Hình 3: Lệnh Line – vẽ đường thẳng
4. Lệnh vẽ Hình chữ nhật (Rectangle)
Lệnh Rectangle là lệnh vẽ hình chữ nhật. Bạn có thể tìm thấy lệnh trên thanh công cụ hoặc nhấn phím tắt “R” từ bàn phím. Trong Fusion, nhà phát triển đã tạo ra 3 cách để vẽ hình chữ nhật, tùy thuộc vào từng trường hợp chúng ta sẽ sử dụng một cách hợp lý.

Hình 4: Lệnh vẽ hình chữ nhật từ 2 điểm đối diện

Hình 5: Lệnh vẽ hình chữ nhật từ 3 điểm

Hình 6: Lệnh vẽ hình chữ nhật đối xứng quanh 1 điểm
Chú ý: Lệnh 3-Point Rectangle hữu ích khi vẽ hình chữ nhật không song song với trục tọa độ.
Tip: Sử dụng phím tắt “R” – 2-Point Rectangle hoặc “Shift + R” – Center Rectangle.
5. Lệnh vẽ Đường tròn (Circle)
Lệnh Circle là lệnh vẽ hình tròn, bạn có thể tìm thấy lệnh này trên thanh công cụ hoặc nhấn phím tắt “C” từ bàn phím. Có 5 công cụ để vẽ hình tròn, bạn hãy thực hành và áp dụng chúng một cách hợp lý nhé.

Hình 7: Lệnh vẽ hình tròn với đường kính từ tâm

Hình 8: Lệnh vẽ hình tròn qua 2 điểm

Hình 9: Lệnh vẽ hình tròn qua 3 điểm

Hình 10: Lệnh vẽ hình tròn tiếp xúc 3 cạnh

Hình 11: Lệnh vẽ hình tròn với bán kính và tiếp xúc 2 cạnh
6. Lệnh vẽ Hình đa giác (Polygon)

| Hình 12: Cách tìm các lệnh vẽ đa giác đều |
Trong Fusion 360, các nhà phát triển phần mềm đã tích hợp lệnh Polygon giúp chúng ta vẽ bất kì hình đa giác đều nào. Bạn sẽ tìm thấy lệnh Polygon bằng cách mở rộng thanh công cụ Create, và ở đây có 3 công cụ khác nhau để vẽ hình đa giác đều.

Hình 13: Lệnh vẽ hình đa giác ngoại tiếp hình tròn

Hình 14: Lệnh vẽ hình đa giác nội tiếp đường tròn

Hình 15: Lệnh vẽ hình đa giác dựa theo chiều dài 1 cạnh
7. Lệnh ghi kích thước (Sketch Dimension)
Lệnh Dimension là một lệnh quan trọng trong việc thiết kế, nó giúp ta cố định bản vẽ bằng kích thước thực tế. Để một bản vẽ 2D hoàn thiện thì ta phải thêm đầy đủ kích thước cần thiết. Trong Fusion 360, phần mềm sẽ tự động chuyển đổi giữa các loại ghi kích thước, vì vậy bạn chỉ cần lựa chọn đối tượng cần thêm kích thước. Sau khi lựa chọn xong các đối tượng, nhấp con trỏ trái chuột để nhập kích thước từ bàn phím.

| Hình 16: Vị trí của lệnh Dimension |
Tip: Nhấn phím tắt “D” từ bàn phím để vào lệnh nhanh hơn.

Hình 17: Các cách ghi kích thước theo từng trường hợp
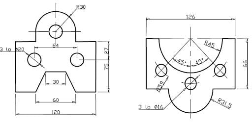
8. Bài tập vận dụng
Các bạn luyện tập thêm theo hình bên dưới nhé, ở đây kích thước người ta cho là R-bán kính, khi nhập vào Fusion các bạn cần phải nhập Diameter = R x 2. Ví dụ R30 – bán kính bằng 30mm thì khi nhập vào phần mềm, các bạn phải nhập 60mm (30×2).
Nếu có bất kỳ thắc mắc nào, các bạn đừng ngại comment cho mình biết nhé. Hẹn gặp lại các bạn ở bài học tiếp theo.

By: Mai Dang Chinh


